Gửi email cho chúng tôi
Các sản phẩm
Đa tạp van điện từ 2V025
  • Đa tạp van điện từ 2V025Đa tạp van điện từ 2V025
  • Đa tạp van điện từ 2V025Đa tạp van điện từ 2V025

Đa tạp van điện từ 2V025

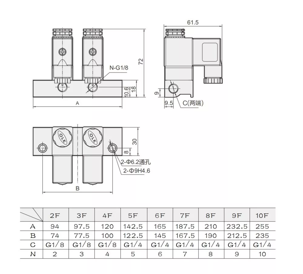
Van điện từ thường đóng thông thường hai vị trí, hai chiều 2V025 có thể được kết nối để tạo thành đế van theo yêu cầu ứng dụng, với khả năng mở rộng linh hoạt từ 2 đến 12 vị trí. Đa dạng van điện từ 2V025 đa trạm này có thiết kế nhỏ gọn và nhẹ nhưng không thể tháo rời để sử dụng riêng lẻ. Thân van được làm bằng hợp kim nhôm chất lượng cao và sử dụng vật liệu bịt kín NBR.

Tùy thuộc vào hướng nạp và xả, Van điện từ 2V025 có thể được chia thành các loại áp suất dương với một đầu vào và nhiều đầu ra, và các loại áp suất âm với nhiều đầu vào và một đầu ra. Áp suất âm có thể được áp dụng trong máy bơm chân không. Vì áp lực dương và âm hoạt động theo hướng ngược nhau, vui lòng tham khảo ý kiến ​​của nhóm bán hàng OLK trước khi đặt hàng

Dữ liệu thông số chung của Van điện từ 2V025:

Hoạt động

diễn xuất trực tiếp

số lượng vị trí

2 vị trí 2 chiều

Trạng thái ban đầu

KHÔNG, NC

bôi trơn

không cần thiết

Phạm vi áp suất làm việc MPa(psi)

0~0.8Mpa(0~114psi)

Đảm bảo khả năng chịu áp lực

1,5MPa (215psi)

Điện áp tiêu chuẩn

AC220V, AC110V, AC24V, DC24V, DC12V

Sử dụng dải điện áp

AC:±15%DC:±10%

điện năng tiêu thụ

AC: 6VADC: 6W

mức độ bảo vệ

IP65 (DIN40050)

cấp chịu nhiệt

Lớp B

Kiểu kết nối

Loại ổ cắm DIN, loại ổ cắm

Thời gian kích thích

0,05 giây hoặc ít hơn

Thân van

Hợp kim nhôm

Câu hỏi thường gặp:

Sự khác biệt giữa 2V025-06 và 2V025-08 là gì?

Sự khác biệt giữa 2V025-06 và 2V025-08 là đường kính cổng. 06 = G1/8 và 08 = G1/4


2V025 có thể kết hợp với nhau để tạo thành van đa tạp không?

Tối đa 10 chiếc van điện từ 2V025 có thể tạo thành một van đa dạng.


Van 2 chiều 2V025 phù hợp với những trường hợp nào?

Van hai chiều hai chiều 2V025 phù hợp với các tình huống làm việc thổi nhưng không phù hợp với xi lanh khí nén vì không có cổng xả.


Van điện từ 2V025 có thể sử dụng trong môi trường áp suất âm được không?

Chắc chắn, van điện từ 2V025 có nhiều cửa hút gió và một cửa thoát khí phù hợp để sử dụng với bơm chân không.


Van điều khiển chất lỏng 2V025 có thường mở không?

CÓ,2V025-06-NO:Đầu vào:G1/8, Đầu ra:M5

2V025-08-NO:Đầu vào:G1/4 , Đầu ra:M5

Van điện từ 2 chiều 2V025  Phụ kiện khớp nối


Thẻ nóng: Van điện từ 2V025 Manifold, Trung Quốc, Nhà sản xuất, Nhà cung cấp, Nhà máy
Gửi yêu cầu
Thông tin liên lạc
  • Địa chỉ

    Đường Zhengtai, Khu công nghiệp Xinguang, Liushi, Nhạc Thanh, Ôn Châu, Chiết Giang, Trung Quốc.

  • điện thoại

    86-0577 57178620

Chào mừng đén với website của chúng tôi! Nếu có thắc mắc về sản phẩm hoặc bảng giá của chúng tôi, vui lòng để lại email của bạn cho chúng tôi và chúng tôi sẽ liên hệ trong vòng 24 giờ.
E-mail
cici@olkptc.com
điện thoại
86-0577 57178620
di động
+86-13736765213
Địa chỉ
Đường Zhengtai, Khu công nghiệp Xinguang, Liushi, Nhạc Thanh, Ôn Châu, Chiết Giang, Trung Quốc.
X
Chúng tôi sử dụng cookie để cung cấp cho bạn trải nghiệm duyệt web tốt hơn, phân tích lưu lượng truy cập trang web và cá nhân hóa nội dung. Bằng cách sử dụng trang web này, bạn đồng ý với việc chúng tôi sử dụng cookie. Chính sách bảo mật
Từ chối Chấp nhận