Gửi email cho chúng tôi
Các sản phẩm
Van chuyển đổi khí nén TAC
  • Van chuyển đổi khí nén TACVan chuyển đổi khí nén TAC

Van chuyển đổi khí nén TAC

Là nhà sản xuất chuyên nghiệp, OLK muốn cung cấp cho bạn Van chuyển đổi khí nén TAC. Và OLK sẽ cung cấp cho bạn dịch vụ sau bán hàng tốt nhất và giao hàng kịp thời.

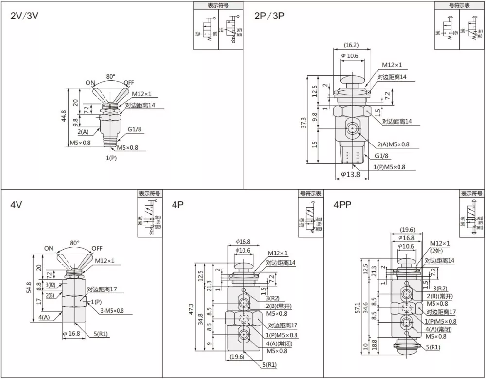
Van chuyển đổi khí nén TAC (còn được gọi là van chuyển mạch) là bộ phận chuyển mạch chính xác được thiết kế đặc biệt cho hệ thống khí nén và kiểm soát chất lỏng. Với cấu trúc điều khiển kiểu chuyển đổi độc đáo, nó đạt được khả năng chuyển đổi nhanh chóng và kiểm soát chính xác các đường dẫn chất lỏng.

Van chuyển đổi dòng TAC có 2 vị trí 2 chiều, 2 vị trí 3 chiều và 2 vị trí 5 chiều có thể được chọn. Có nhiều loại đòn bẩy và hai loại ren: M5, G1/8.

Kịch bản ứng dụng

Thiết bị tự động hóa công nghiệp, gia công cơ khí, gia công vật liệu xây dựng, năng lượng và khai thác mỏ, công nghiệp thực phẩm và đồ uống, thiết bị y tế, v.v.

Tính năng sản phẩm

Nó có kích thước nhỏ, cần ít không gian lắp đặt và vận hành thủ công trực quan, phù hợp với các tình huống yêu cầu chuyển đổi thường xuyên.

TAC  biểu tượng và đường viền van chuyển đổi

Mã lệnh

TAC

2

__

2

P

 

 

 

 

 

Van chuyển đổi dòng TAC

 

 

2:2 vị trí 2 chiều (M5)

P: Loại nút kéo đẩy

 

 

 

Vị trí 3:2 3 chiều (M5)

V: loại cần gạt tay

 

 

 

4:2 vị trí 5 chiều (M5)

PP: Nút kéo đẩy đôi

 

 

 

31:2 vị trí 3 chiều (G1/8)

 

 

 

 

41:2 vị trí 5 chiều (G1/8)

 

 

Người mẫu

Kích thước cổng

 

Con số
vị trí

Hiệu quả  
diện tích mặt cắt ngang

Phạm vi áp suất

Chất lỏng làm việc

Môi trường xung quanh
Nhiệt độ

 

TAC-2V

Đầu vào=Đầu ra=M5   

2 vị trí 2 chiều

1,9mm2

0,05 ~ 0,9PPA

Không khí

0~60

TAC-2P

Đầu vào=Đầu ra=M5   

2 vị trí 2 chiều

1,9mm2

Tắc-3V

Đầu vào=Đầu ra=M5   

2 vị trí 3 chiều

1,9mm2

Tác-3p

Đầu vào=Đầu ra=M5   

2 vị trí 3 chiều

1,9mm2

Tắc-4V

Đầu vào=Đầu ra=M5   

2 vị trí 5 chiều

1,9mm2

TAC-4P

Đầu vào=Đầu ra=M5   

2 vị trí 5 chiều

1,9mm2

4PP

G1/8

 

2 vị trí 5 chiều

4,5 mm2

TAC2-31V

Đầu vào=Đầu ra=Ống xả=G1/8   

2 vị trí 3 chiều

4,5 mm2

TAC2-31P

Đầu vào=Đầu ra=Ống xả=G1/8   

2 vị trí 3 chiều

4,5 mm2

TAC2-41V

Cửa vào=Cửa ra=G1/8   Ống xả=M5

2 vị trí 5 chiều

4,5 mm2

TAC2-41P

Cửa vào=Cửa ra=G1/8   Ống xả=M5

2 vị trí 5 chiều

4,5 mm2

TAC2-41PP

Cửa vào=Cửa ra=G1/8   Ống xả=M5

2 vị trí 5 chiều

4,5 mm2

Câu hỏi thường gặp:

Sự khác biệt giữa van chuyển đổi và van cơ học là gì?

Có thể phân biệt van chuyển đổi và van cơ theo loại điều khiển: Van chuyển đổi là loại giữ đòn bẩy, van cơ là loại nút kéo hoặc loại con lăn

 

Sự khác biệt giữa van chuyển đổi và các van khác là gì?

Điều khiển chính xác: van chuyển đổi đạt được khả năng điều chỉnh dòng chảy tốt thông qua lõi van hình nón, phù hợp để điều khiển chính xác trong đường ống có đường kính nhỏ, trong khi van bi phù hợp hơn cho hoạt động đóng mở nhanh chóng.

Thẻ nóng: Van chuyển đổi khí nén TAC, Trung Quốc, Nhà sản xuất, Nhà cung cấp, Nhà máy
Gửi yêu cầu
Thông tin liên lạc
  • Địa chỉ

    Đường Zhengtai, Khu công nghiệp Xinguang, Liushi, Nhạc Thanh, Ôn Châu, Chiết Giang, Trung Quốc.

  • điện thoại

    86-0577 57178620

Chào mừng đén với website của chúng tôi! Nếu có thắc mắc về sản phẩm hoặc bảng giá của chúng tôi, vui lòng để lại email của bạn cho chúng tôi và chúng tôi sẽ liên hệ trong vòng 24 giờ.
E-mail
cici@olkptc.com
điện thoại
86-0577 57178620
di động
+86-13736765213
Địa chỉ
Đường Zhengtai, Khu công nghiệp Xinguang, Liushi, Nhạc Thanh, Ôn Châu, Chiết Giang, Trung Quốc.
X
Chúng tôi sử dụng cookie để cung cấp cho bạn trải nghiệm duyệt web tốt hơn, phân tích lưu lượng truy cập trang web và cá nhân hóa nội dung. Bằng cách sử dụng trang web này, bạn đồng ý với việc chúng tôi sử dụng cookie. Chính sách bảo mật
Từ chối Chấp nhận